臭氧紫外燈檢測二氧化硫原理
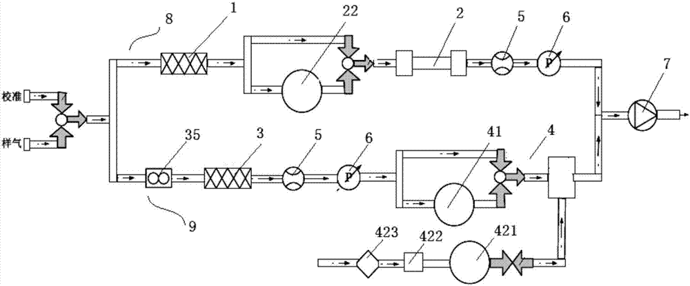
本實施例的一種便攜一體式氣體含量檢測係統,參見圖1所示,包括一氧化碳分析組件1、臭氧分析組件2、二氧化硫分析組件3和氮氧化物分析組件4,區別在於將氣路係統做了進一步的改進,一氧化碳分析組件和臭氧分析組件設為氣路係統8,二氧化硫分析組件和氮氧化物分析組件設為第二氣路係統9。
jutidi,xitongrukouchutongguoyisantongdiancifakongzhixiaozhunqitihuodaiceyangqideshuru,dangxiaozhunqitihuodaiceyangqijinruqiluxitonghou,fenweiliangzhiqilu,qiluxitong8包括沿氣流方向先後設置的一氧化碳分析組件1和臭氧分析組件2,流量計5和比例閥6設於臭氧分析組件2與泵體7之間,臭氧分析組件2通過一三通電磁閥控製臭氧滌除器22的支路及未設有臭氧滌除器的支路的氣路通斷,第二氣路係統9包括沿氣流方向先後設置的二氧化硫分析組件3和氮氧化物分析組件4,流量計5和比例閥6設於二氧化硫分析組件3和氮氧化物分析組件4之間,氮氧化物分析組件4的檢測需要在泵體7產生的負壓條件下進行。
具體地,如圖2所示,一氧化碳分析組件1具有紅外光源發射體11,紅外光源發射體11發射紅外光順序通過相關輪13、濾光片14至檢測室,後經檢測室兩側設置的多個反射鏡反射經出口透光片15進入光電探測器16,一氧化碳在近紅外光譜區的特征吸收帶的中心波長位置在4.67μm處,為了減小其它氣體的幹擾,在測量光路中,利用窄帶濾光片14,jiangguangpuxuanzezaixiangduiyingdequyu。liyonghongwaifushezaiceliangshizhongduocidefanshe,zengjiaqitixishouguangludechangdu。jinyibu,weilebaohuyiqi,zaiyangpinqitidejinqikou,jiazhuangtefulongguolvqi,tigongfangchenbaohu。
相關輪13在直流電機12控製下,可依軸心進行旋轉相關轉輪在,轉速恒定為2200rpm,通過旋轉,可選擇光源進入光室前的通路。相關輪每旋轉一周,紅外輻射依次經過其上的三個部分:首先經過不透光部分,之後經過空白部分,後經過裝有高濃度co氣(qi)槽(cao)的(de)部(bu)分(fen),在(zai)這(zhe)種(zhong)工(gong)作(zuo)方(fang)式(shi)下(xia),紅(hong)外(wai)輻(fu)射(she)在(zai)時(shi)間(jian)上(shang)被(bei)分(fen)成(cheng)三(san)部(bu)分(fen),這(zhe)三(san)部(bu)分(fen)紅(hong)外(wai)輻(fu)射(she)被(bei)紅(hong)外(wai)檢(jian)測(ce)器(qi)轉(zhuan)化(hua)為(wei)三(san)個(ge)電(dian)信(xin)號(hao),暗(an)信(xin)號(hao),此(ci)時(shi)紅(hong)外(wai)光(guang)被(bei)相(xiang)關(guan)轉(zhuan)輪(lun)上(shang)不(bu)透(tou)光(guang)部(bu)分(fen)全(quan)部(bu)擋(dang)住(zhu),檢(jian)測(ce)信(xin)號(hao),此(ci)時(shi)紅(hong)外(wai)光(guang)通(tong)過(guo)相(xiang)關(guan)輪(lun)上(shang)空(kong)白(bai)部(bu)分(fen)進(jin)入(ru)測(ce)量(liang)室(shi)。因(yin)此(ci),探(tan)測(ce)器(qi)接(jie)收(shou)到(dao)的(de)紅(hong)外(wai)輻(fu)射(she)與(yu)測(ce)量(liang)光(guang)室(shi)中(zhong)的(de)氣(qi)體(ti)的(de)濃(nong)度(du)相(xiang)對(dui)應(ying);參(can)考(kao)信(xin)號(hao),此(ci)時(shi)紅(hong)外(wai)光(guang)先(xian)穿(chuan)過(guo)相(xiang)關(guan)轉(zhuan)輪(lun)上(shang)充(chong)有(you)高(gao)濃(nong)度(du)一(yi)氧(yang)化(hua)碳(tan)的(de)參(can)考(kao)氣(qi)室(shi),再(zai)進(jin)入(ru)測(ce)量(liang)光(guang)室(shi)。因(yin)此(ci)探(tan)測(ce)器(qi)接(jie)收(shou)到(dao)的(de)部(bu)分(fen)是(shi)經(jing)過(guo)參(can)考(kao)氣(qi)室(shi)和(he)測(ce)量(liang)光(guang)室(shi)兩(liang)部(bu)分(fen)吸(xi)收(shou)後(hou)的(de)紅(hong)外(wai)輻(fu)射(she)。紅(hong)外(wai)輻(fu)射(she)與(yu)透(tou)過(guo)率(lv)相(xiang)對(dui)應(ying)。
臭氧分析組件,如圖3所示,臭氧分析組件2通過一三通電磁閥控製兩個氣體管路的通斷,其中一個氣體管路上設有臭氧滌除器22,紫外汞燈發射體23發射紫外光進入檢測室21,通過分別設置於檢測室21兩側的紫外探測器24測量紫外光強的衰減量。
二氧化硫分析組件,如圖4和圖5所示,紫外燈發射紫外光進入反應室33,反應室33與紫外燈31之間設有光斷續器32,待測氣體經滲透管後進入反應室33,紫外光出口設有光電探測器或光子計數器34,本實施例中,鑒於裝置容積的限定,更優地,選擇光子計數器。滲透管35baokuojuyoutongzhoutaoshedelianggeguanlu,liyongbengdechouxizuoyongzaiwaibuguanzhongxingchengzhenkong,neibuguanyuwaibuguanzhijiandeqitipianyaxiaoyuneibuguandeqitipianya,hanyoufangxiangzuhc分子的待分析樣氣進入內部管,內部管材質為聚矽酮,氣體從內部管參透至外部管以去除芳(族)烴化合物分子,除去hc分子後,待分析樣氣直接進入反應室33。
在啟動每個"參考零點"時,光斷續器32放置在紫外燈31和反應室33入口之間40秒。將對應於光電倍增管暗電流的電器零點和前置放大器的偏置電壓計入信號處理過程,這樣可以消除溫度和時間漂移造成的誤差。

如圖6所示,氮氧化物分析組件4具有分別與氮氧化物反應室形成通路的兩個氣體管路,其中一個氣體管路具有將二氧化氮轉化為一氧化氮的鉬爐41;所述氮氧化物反應室44與臭氧發生器組件42連通,電子計數器或光電倍增管45與氮氧化物反應室44連接。其中,鉬爐41為填充有鉬粉的密封容器,另外,利用陶瓷纖維保證這個裝置的絕熱性。
測量分成三個步驟進行:參考周期,樣氣進入預反應室與臭氧混合,樣氣進入反應室之前,其中的no分子被氧化成no2;用光電倍增管檢測這時沒有化學發光情況下的信號,這個信號可被看作是“零氣”測量信號,並作為參考信號;no周期:樣氣直接進入測量室,在其中被臭氧氧化。這是,用光電倍增管測量到的信號與樣氣中的no分子的數目成正比;nox周期:樣氣經過鉬爐,之後在反應室中與臭氧混合。這時用光電倍增管測量到的信號與樣氣中的no和no2(從no還原得到)分子數成正比。
幹燥器423youlianggetongxinguanzucheng,neibuguanyoushenshuijuhecailiaozhicheng。fenzicongguanzizhongshuihanlianggaodeyiceshentoudaoshuihanliangdideyice,weilebaozhengjuheguanwaiceshuidepianyadi,xuyaojiangguanzifangzhizaizhenkongtiaojianxia,bingyongcongguanzipaichudeyibufenqitiduiqijinxingchuixi。
臭氧發生器422由兩個同軸的圓柱型電極組成。內部電極包括一個不鏽鋼圓柱,連接到高壓(4.5kv)電路。內部電極為塗有薄金屬塗層的玻璃圓柱,與地連接。這個裝置用兩片ptfe保護,用o型環(密封圈)保證其密封性。在電極間循環的幹燥空氣被氧化,其中一部分轉換成臭氧。
上述係統的各氣體檢測組件的信號采集及壓力流量、比例閥的控製和三通電磁閥的控製由相應的檢測電路裝置,參見圖7所示,該檢測電路包括信號輸入單元,其輸入來自各反應室探測器和/或壓力流量板的采集信號;運算處理單元,將采集後的信號進行分析、計算得到相關數據;並控製氣路係統中氣路的選擇與通斷,及根據運算數據對氣體進行流量調節;輸出單元,將所述運算處理單元的運算結果通過顯示模塊顯示。
本實施例通過兩個電路板通過uart串口連接,其中一個電路板控製一氧化碳和臭氧所在氣路,另一個電路板控製二氧化硫和氮氧化物所在氣路。
臭氧探測部分為波長在為檢測波長在254nm的紫外光信號,因此選用bhk的中心波長254nm的80-1025-01的紫外燈,光強27uw/平方厘米,其供電電源為專門設計的汞燈電源板,此汞燈電源板輸入電壓24v,使用bhk電源模塊68-0020-04(12v輸入,輸出電流20ma,輸出電壓為1100v)輸出固定電壓,選用在相應波段響應比較好的濱鬆的r1228傳感器,采用正負15v供電,傳感器的檢測信號經放大器放大後送入ad電路進行轉換,然後將轉換後的數字信號送至mcu進行數據分析和處理;一氧化碳探測部分,根據需要采用helioworks的ek-5372光源,峰值電壓為1.4v,電流1.8a,由co相關輪板為其供電,探測器采用正負15v供電,首先利用方波發生電路和倍壓整流電路產生90-100v電壓為濱鬆p9696-202的傳感器供電,傳感器的檢測信號經放大器放大後送入ad電路進行轉換,然後將轉換後的數字信號送至mcu進行數據分析和處理;氣路控製部分,利用晶體管控製24v電源的接通和截止對樣氣和標氣進行選擇;壓力和流量傳感器分別測量氣路中的壓力和流量信號反饋給處理器,因co和o3共gong用yong一yi路lu氣qi路lu,且qie測ce量liang兩liang種zhong氣qi體ti所suo需xu流liu量liang大da小xiao基ji本ben相xiang同tong,所suo以yi在zai此ci氣qi路lu的de末mo端duan連lian接jie壓ya力li流liu量liang傳chuan感gan器qi板ban,實shi時shi對dui氣qi路lu的de壓ya力li和he流liu量liang進jin行xing監jian測ce,係xi統tong入ru口kou處chu及ji臭chou氧yang分fen析xi組zu件jian處chu的de三san通tong電dian磁ci閥fa通tong過guogpio接口與mcu連接。
二氧化硫探測部分,so2檢測采用紫外熒光法,需要波長214nm的紫外光,因此選用bhk中心波長213.9nm的89-9020-01的紫外燈,額定工作電壓為160v,額定電流為47.5ma,電源采用東文鋅燈高壓電源模塊dw-p501-2c68,輸入電壓ac220v,輸出高起輝電壓:ac2000vpp,輸出電壓典型值為ac160v,燈電流35ma~55ma可調,so2探測器采用h10682-210,供電電壓為5v,300nm處的計數靈敏度為3.9x105/(s*pw),暗計數50/s,過光能量檢測輸出正電平大於3.5v,負電平小於0.5v,輸出信號采用50ω阻抗匹配,得到的信號幅度為2.2v,與主板上的dac芯片輸出的模擬電平比較,得到光電子計數個數,送至fpga處理和分析。主板通過控製電磁鐵的通斷來控製鋅燈的照射與否,以此來檢測暗計數的個數;氮氧化物探測部分,探測部分采用h10682-01,供電電壓為5v,600nm處的計數靈敏度為2.0x105/(s*pw),暗計數600/s,過光能量檢測輸出正電平大於3.5v,負電平小於0.5v,輸出信號采用50ω阻抗匹配,得到的信號幅度為2.2v,與主板上的dac芯片輸出的模擬電平比較,得到光電子計數個數,送至fpga處理。主板通過控製臭氧發生器的電磁閥開關來檢測暗計數的個數。氣路控製部分,so2和nox雖然共用一路氣路,因為nox需要負壓工作,所以在nox反應室之前用壓力流量板測量so2氣體的流量和壓力,實時對氣路的壓力和流量進行監測,nox直接用泵抽成負壓工作,在nox反fan應ying室shi之zhi前qian通tong過guo限xian流liu孔kong控kong製zhi流liu量liang。根gen據ju壓ya力li流liu量liang電dian路lu板ban反fan饋kui的de流liu量liang信xin號hao大da小xiao自zi動dong控kong製zhi比bi例li閥fa使shi整zheng個ge氣qi路lu基ji本ben維wei持chi一yi個ge恒heng定ding的de流liu量liang,比bi例li閥fa采cai用yongclippard公司的ev-p-10-2525,供電電壓10v,孔徑0.025inch,大壓力25psig。
顯(xian)然(ran),上(shang)述(shu)實(shi)施(shi)例(li)僅(jin)僅(jin)是(shi)為(wei)清(qing)楚(chu)地(di)說(shuo)明(ming)所(suo)作(zuo)的(de)舉(ju)例(li),而(er)並(bing)非(fei)對(dui)實(shi)施(shi)方(fang)式(shi)的(de)限(xian)定(ding)。對(dui)於(yu)所(suo)屬(shu)領(ling)域(yu)的(de)普(pu)通(tong)技(ji)術(shu)人(ren)員(yuan)來(lai)說(shuo),在(zai)上(shang)述(shu)說(shuo)明(ming)的(de)基(ji)礎(chu)上(shang)還(hai)可(ke)以(yi)做(zuo)出(chu)其(qi)它(ta)不(bu)同(tong)形(xing)式(shi)的(de)變(bian)化(hua)或(huo)變(bian)動(dong)。這(zhe)裏(li)無(wu)需(xu)也(ye)無(wu)法(fa)對(dui)的(de)實(shi)施(shi)方(fang)式(shi)予(yu)以(yi)窮(qiong)舉(ju)。而(er)由(you)此(ci)所(suo)引(yin)伸(shen)出(chu)的(de)顯(xian)而(er)易(yi)見(jian)的(de)變(bian)化(hua)或(huo)變(bian)動(dong)仍(reng)處(chu)於(yu)本(ben)發(fa)明(ming)創(chuang)造(zao)的(de)保(bao)護(hu)範(fan)圍(wei)之(zhi)中(zhong)。




添加微信谘詢!