我公司能夠維修的美國UVP公司生產的HB-1000經濟型分子雜交箱、HL-2000組合型分子雜交箱、HB-500緊湊型分子雜交、HM-4000多功能型分子雜交箱,多年維修經驗,維修周期短,維修費用低,修不好不收費!。
UVP分子雜交箱雜交爐常見故障:
1.溫度無法調節
溫度傳感器損壞或控製板故障
2.電機不轉
電機故障或電路短路

HB-1000經濟型分子雜交箱
控製轉速和溫度的經濟的微處理器 ,多種轉速可供用戶選擇選 ,也有多款雜交瓶可供選配 . 搖擺盤替換轉頭可供用戶自行選配 ,增加該產品的應用範圍.
HL-2000組合型分子雜交箱
通過整合HB- 1000和紫外交聯儀 的組合型分子雜交箱 ,即可互相獨立操作 ,又節省空間 . 運用254nm短波能量的紫外交聯儀可使DNA和膜固定,用於雜交箱.
HB-500緊湊型分子雜交箱
占用細小空間緊湊型分子雜交箱 ,非常適合低通量的實驗室。 2.擁有丙烯酸蓋,防止b輻射外漏.。 3.便於清理不鏽鋼內腔 .。
HM-4000多功能型分子雜交箱
裝備有兩個雜交箱的多功能型分子雜交箱,既可以獨立控製,又可以設置不同溫度,下箱HB-1000, 上箱有多種運動模式可配置 , 包含搖動、滾動、軌跡式搖動、旋轉等多種運動模式 .
HL-2000分子雜交箱分為上下箱,上箱為HB-1000分子雜交箱,下箱為CX-2000紫外交聯儀
分子雜交箱部分:
1、機器上部的右側開關為加熱開關
2、加熱開關左側為溫度控製模塊,通過上下鍵調節所設溫度,此時顯示的是設定溫度;調節完所設溫度,約5秒後顯示當前溫度
3、機器上部左側開關為電機開關
4、電機開關左側旋鈕為控速旋鈕,可根據使用情況調節轉速快慢

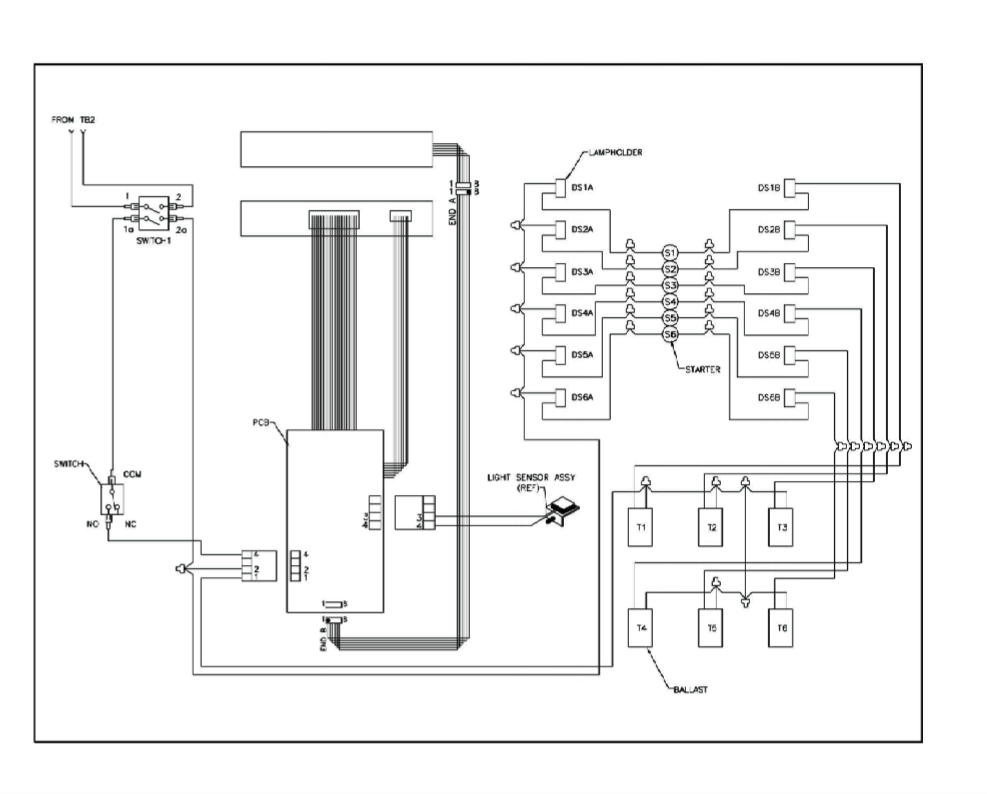
HL-2000分子雜交箱電路圖
紫外交聯儀部分:
使用時間模式的情況下:
1、點擊“Time”
2、輸入所需時間,如3分鍾,點擊3和0,屏幕顯示3.0
3、點擊“Enter”確定
4、點擊“Start”開始工作
5、如需暫停點擊“Stop”,繼續工作則再點擊“Stop”
6、雙擊“Stop”為停止工作
使用能量模式的情況下:
1、點擊“Energy”
2、輸入所需能量,具體能量為所輸數值乘以鍵位下麵的能量參數
3、點擊“Enter”確定
4、點擊“Start”開始工作
5、如需暫停點擊“Stop”,繼續工作則再點擊“Stop”
6、雙擊“Stop”為停止工作

分子雜交箱維修心得:
分子雜交儀,或稱分子雜交爐,是目前分子生物實驗室的常用儀器之一。它每次可同時安放10支外徑42mm、長150mm或10支外徑42mm、長250mm的雜交瓶。由於大家實驗室任務較多,雜交箱的使用率較高,加之分子雜交箱在使用過程中需加溫(我們常用的溫度是68℃,每次連續運轉16h),長時間的高溫烘烤,導致旋轉架的塑料片老化。
塑料片損壞後,無法固定雜交瓶,同時,使用中要求旋轉架旋轉平穩,通常是將雜交瓶成雙成對、對稱地同時放人旋轉架上。塑料片損壞後,將無法正常使用雜交箱。
shouxian,womenzaixifenxilexuanzhuanjiadejiegou,shiyouliangkuailiaopianjiyigenbuxiugangzhougoucheng,buxiugangzhouchuanguoliangkuaisuliaopiandezhongxin,fenbiejiangliangpiansuliaopiangudingzaibuxiugangzhoushang,zhouxuanzhuanjidaidongsuliaopianxuanzhuan,gudingzaisuliaopianshangdezajiaopingzesuizhizuoyuanzhouyundong。youyuyuanlaidesuliaopianshimoyayicichengxingde,erzhizuomoyamojudefeiyonganggui,duiwomenyonghulaishuo,shengchanshuliangtaishaoshibuhesuande。yinci,womenzhinenggenjuyuansuliaopiandechicunzijijinxingjiagong。yinweizajiaopingdewaijingshi42mm,塑料片開口處的尺寸是38mm,雜交瓶是靠塑料片開口處具有的張力(彈力)將其固定的。因此,必須選擇具有一定韌性及彈性的材料來進行加工。我們選擇的是5mm厚(hou)的(de)聚(ju)丙(bing)烯(xi)板(ban),其(qi)厚(hou)度(du)與(yu)原(yuan)塑(su)料(liao)片(pian)的(de)厚(hou)度(du)相(xiang)近(jin)。我(wo)們(men)可(ke)將(jiang)原(yuan)塑(su)料(liao)片(pian)在(zai)掃(sao)描(miao)儀(yi)上(shang)掃(sao)描(miao)後(hou)輸(shu)入(ru)電(dian)腦(nao)雕(diao)刻(ke)機(ji),利(li)用(yong)機(ji)械(xie)進(jin)行(xing)加(jia)工(gong)。當(dang)然(ran),也(ye)可(ke)用(yong)傳(chuan)統(tong)的(de)手(shou)工(gong)方(fang)法(fa)加(jia)工(gong)。
在加工過程中,我們須注意幾個問題:
一是必須嚴格按原尺寸加工,尺寸過大,固定不住雜交瓶,尺寸過小,則雜交瓶放不進去;
二是加工好後需對邊緣的棱角及毛刺進行打磨,以免劃傷實驗人員手指或損傷雜交瓶。加工、打磨好的塑料片。將加工好的幾片塑料片分別放到天平上稱重,選擇重量zui相近的兩片配對,以確保旋轉架的旋轉平穩。




添加微信谘詢!